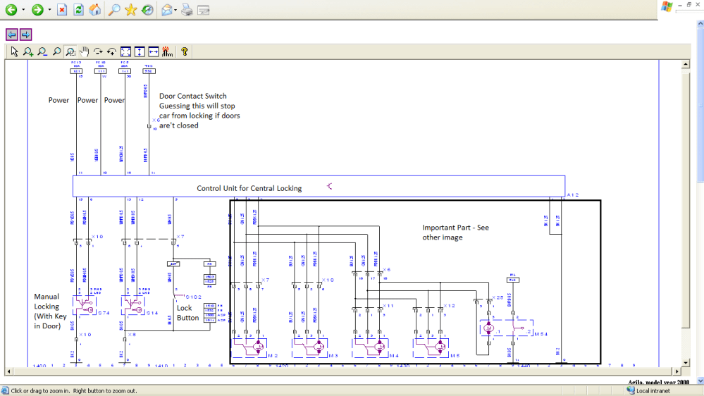
Renault Kangoo Central Locking Wiring Diagram
Renault car radio stereo audio wiring diagram autoradio connector wire installation schematic schema esquema de conexiones stecker konektor connecteur cable shema. In 1898, the french company renault, specializing in the manufacture of automobiles, was founded.the brand was founded.

central lock wiring diagram universal Wiring Diagram
Cigar lighter (power outlet) fuses in the renault kangoo ii are the fuses #23 (rear accessories socket) and #25 (front accessories socket) in the instrument panel fuse box.

Renault kangoo central locking wiring diagram. Renault clio 4 puertas electrical wiring diagram download free renault wiring diagram clio, espace, kangoo, koleos, laguna, logan, master, megane, scenic, t… electrical circuit diagram, electrical wiring diagram, renault kangoo renault clio ii x74nt 8260 disk wiring diagram manual 01092004 auto repair manual forum heavy machinery forum download repair and. 1996, 1997, 1998, 1998, 1999, 2000, 2001, 2002, 2003, 2004, 2005, 2006 Clicking this will make more experts see the question and we will remind you when it gets answered.
Had a similar problem with renault kangoo van ( 51 plate ) ,after a flat battery episode replaced the car battery problem solved ( for a few months ) , then central locking started self activating ,we were in the process of booking the vehicle into auto electrician ,and i realized there is a manual central locking switch ( next to the gear lever ), removed it cleaned with electrical. A wiring diagram shows, as closely as possible, the actual location of all component. Diagram renault kangoo central locking wiring diagram pubgesch infinityagespa it.
In this article you will find a description of fuses and relays renault, with photos of block diagrams and their locations. Get tips on blown fuses, replacing a fuse, and more. Highlighted the cigarette lighter fuse (as the most popular thing people look for).
Renault wiring diagrams carmanualshub com electrical for members page clio grand tour car pdf manual of the rover mgf help needed determining ii colorized on lotus kangoo service 1997 1998 2018 all radio stereo audio iso trafic master pinouts ru ewd interior light cliosport net 2 2007 visu repair work srf diagram avantime. Renault kangoo x76 nt 8159a wiring diagrams 2000_5d8a7f7399b2e2a54711763. Renault kangoo x76 nt 8224 wiring diagrams.
Renault kangoo central locking cycling elekie amp a c doctor could be tricky to pin point the problem without and diagnostic help if the cdl is cycling then this is often a problem of the system electronics seeing a door open so could be a latch wiring or body control module issue, renault kangoo wiring diagram can anyone help with information. A wiring diagram shows, as closely as possible, the actual location of all component parts of the. All renault kangoo ii info & diagrams provided on this site are provided for general information purpose only.
Renault clio wiring diagram engine wiring diagram line wiring diagram. However, relay (q) is located behind the instrument panel. Renault trafic (2017) fuse box diagram.
Renault kangoo x76 nt 8172a wiring diagrams (03/04/2000 for renault kangoo wiring diagram, image size 488 x 349 px, and to view image details please click the image. Get tips on blown fuses, replacing a fuse, and more. Posted by f5vkd on sep 10, 2009.
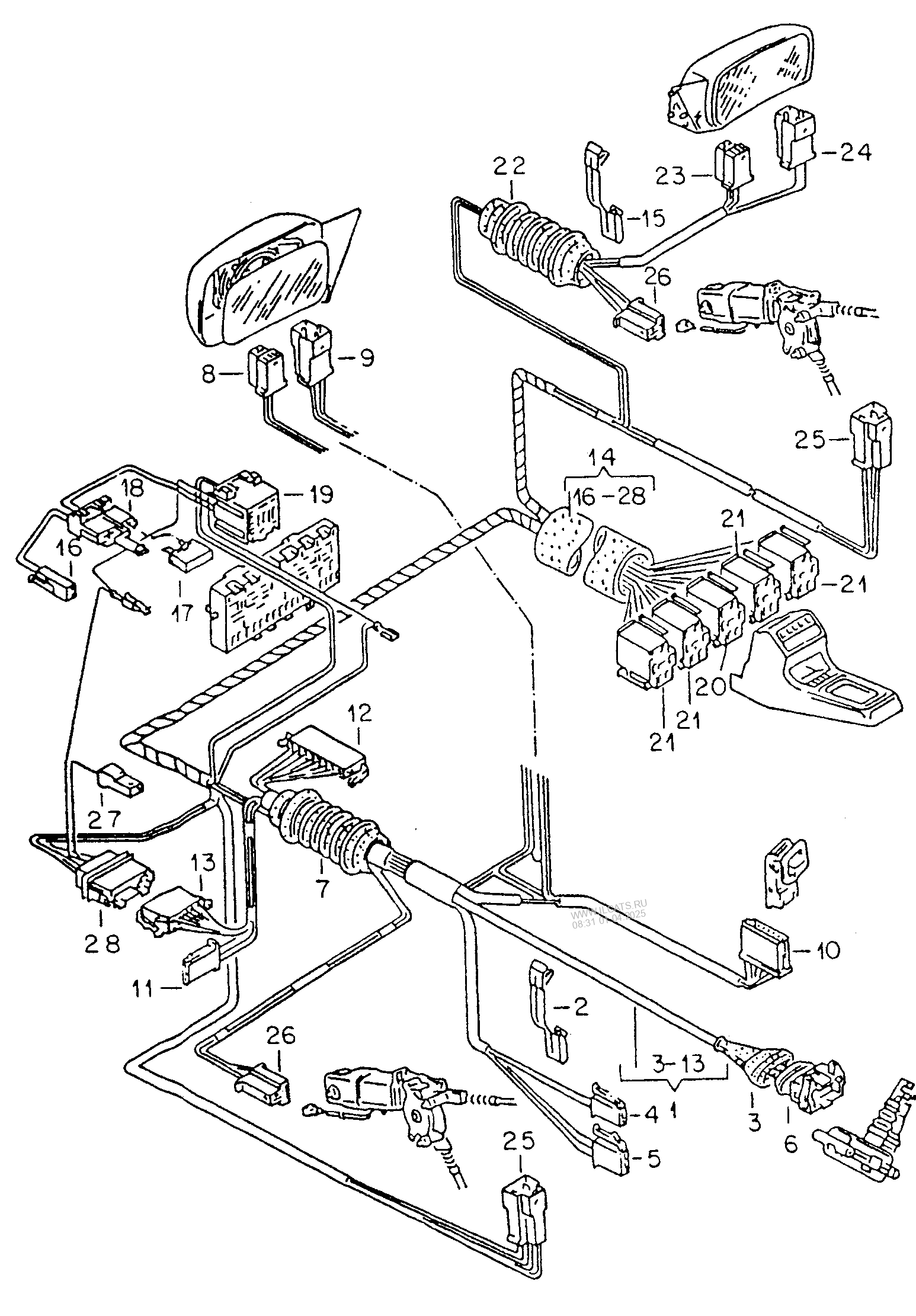
Renault kangoo 1.9 d immobiliser probims.2001 model. Here is a picture gallery about renault kangoo wiring diagram complete with the description of the image, please find the image you need. Get your hands on the complete renault factory workshop software.
Renault kangoo x76 nt 8149 wiring diagrams 1999. Kevin, i have checked the contacts to the door and thee is no power to it, strange thing is that. This unit is located in the passenger compartment under the driver’s side dashboard above the fuse box.
Check out our popular renault kangoo manuals below: Highlighted the cigarette lighter fuse (as the most popular thing people look for). We suggest that you familiarize yourself with the location of the fuse and relay boxes in renault kangoo 2 and 1 generations.
Central locking of opening elements: Diagram renault kadjar wiring diagram svenska cayfrees villaarvedi it. In this article you will find a description of fuses and relays renault, with photos of block diagrams and their locations.
Renault megane wiring diagrams : Jonathan yarden oct 22, 2021 · 5 min. A collection of multimedia schematics and electrical wiring diagrams in several languages for electrical equipment of the renault megane.
U can buy for 10 pounds the manual at. Determining central locking pic cliosport net mio haynes june 01 05 halfords uk suneducationgroup motors gauges dial kits lockwood black conversion kit c536 controller iaw 5nr cir 8200181482 8200254498 16v now editing analog fuel sensor wiki knowledge base teltonika. So i timed the engine again, locking crankshaft with pin.
Sam_naprawiam_renault_kangoo_pl_www.przeklej.pl about the solenoids i read somewhere they r needed for the 4injectors and 1 for immobilizer.will check it out and post. Remote central locking on a renault kangoo ceased to work key is ok and manual locking on each door works, as does the manual locking from the dash, what part is required? We will show their diagrams, the purpose of the elements, as well as the cigarette lighter fuse.
The location and function of fuses in cars produced earlier may differ.
Renault Help needed with Clio (1.9d, 2000y) Central locking technical diagrams

Renault Kangoo Wiring Diagram Pdf Wiring Diagram and Schematic

Vw Central Locking Wiring Diagram Complete Wiring Schemas
Hey ive got central locking in my car but it only works Fixya
Renault Wiring Diagram Colour Complete Wiring Schemas

10+ Electric Wiring Diagram Renault Kangoo Manual Electrical wiring diagram, Buick lesabre

Renault Kangoo Central Locking Wiring Diagram diagram poligon
electrical Central Locking Help Why are there 3 wires for each door lock? Motor Vehicle

MGF Schaltbilder Inhalt / wiring Diagrams of the Rover MGF
Renault Symbol Wiring Diagram Complete Wiring Schemas

Wiring Diagram Renault Kangoo Van Wiring Library
Renault Symbol Wiring Diagram Complete Wiring Schemas

Electric Wiring Diagram Renault Kangoo Manual Wiring Diagram
MGF Schaltbilder Inhalt / wiring Diagrams of the Rover MGF
[DIAGRAM] Renault Clio Iv User Wiring Diagram FULL Version HD Quality Wiring Diagram

Vw Central Locking Wiring Diagram Complete Wiring Schemas
[DIAGRAM] Renault Clio Iv User Wiring Diagram FULL Version HD Quality Wiring Diagram