Hive Heating Wiring Diagram
This product is designed for fixed wiring installation only. It takes 3x aa batteries.
Wiring Hive Smart Thermostat to Combi Boiler DIYnot Forums
You can operate this app using your smartphones, tablets or laptop.
Hive heating wiring diagram. In order to install hive to your existing system, you will fall into one of three scenarios: It connects the hive products so that you can control it remotely with the hive app. This is our wired thermostat for combi boilers.
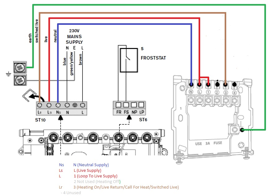
I've followed the wiring diagram but when i press the central heating mike83 active member. • the hive receiver is double insulated so doesn’t need an earth connection. You will then need to work with the l, n, 3 and 4 pins to hook your combi boiler up.
Backplate to secure an earth wire if needed. It's a good option if you want to connect it to your existing thermostat's wiring and put it in the same place. Electrical wiring for central heating systems.
This is the wiring diagram for the hive receiver that will go next to the for info the blue (common) and brown (heating on) wires have ~ find support for hive active heating, hive active lights, the hive motion sensor and window or door sensor, and the hive active plug.hive active heating 2 wiring diagram efcaviation from hive wiring diagram y. Our range includes many wired and wireless models and this guide will help you complete the required wiring of our range of timers; Single channel receiver for combi boilers dual channel
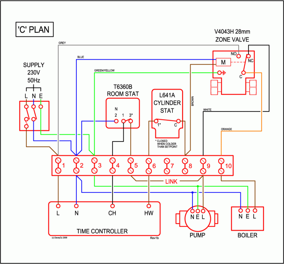
*** work safely *** *** please note *** we […] wiring diagram for s plan central heating system 2017 hive. Heating controls for over 100 years and is the uk leader for quality, efficiency and reliability. S plan central heating system y hive and wiring diynot forums how does an work boiler boffin a works design evohome diagram home plus full version hd quality ritualdiagrams ideasospesa it 94 e250 fuse box car auto3 bmw1992 warmi fr control zodiagramm racingpal w.
Scenario 2, you have an existing wireless control that you would like hive to replace. For a quick installation, follow the steps in order we recommend that you install hive active heating™ in the order. This book contains wiring advice to assist with installing honeywell heating controls in a variety of systems.
Bdr91 has 6 terminals n, l, l, a, b, c latter likely unused, hive has two wiring diagrams single and duel channel, as to duel channel it may or may not work, as it has to use 230 volt control, single channel then 1 = a and 3 = b, the nest t1 and t2 is a power supply and nothing to do with control. Hive heating and hot water wiring diagram. How to wire a single channel hive thermostat to a combi boiler.
On the back of the timer is a diagram that shows which terminals are allocated to hw and ch. Hive active heating 2 wired thermostat. Scenario 1, you have an existing programmer on the wall that has a compatible backplate.
The current setup is as follows, also attached is the wiring diagram which i have traced, suspect there is a wiring problem so need help to solve same. View and download hive active heating installation manual online. You’ll find a tether on the backplate to.
Gravity system y plan with no hot water off wire. Hive active heating™ has two types of receiver: 4 connect n on the boiler to n on the hive 5 connect a wire from the lower of the two ta on the boiler ( see vokera wiring diagram) to the ‘heating on’ on the hive 6 connect a wire from the connector with an equals sign just above the higher ta to the ‘common’ on the hive (see vokera wiring diagram) 7 connect an earth from boiler to hive
It's also a good option if you have a larger home or one with thick walls, or if your boiler is hard to reach. If you have a gravity fed or a y plan system 3port valve with no hot water off wire the green status light should be altered to be blue. Hive central heating wiring diagram.the fit anywhere combi.
Exactly te same wires as me. The hive was installed about 6 months ago, before that. It must be supplied via a switched fused spur with a minimum contact separation of 3mm (both live and neutral) and fitted with a 3a fuse.
Just trying to fix my homes control system for for heating and hot water, with the hive dual channel receiver, thermostat and hub. Just wondering how to replace a honeywell bdr91 with a hive 2 receiver the wiring for hive active heating heres the hive wiring diagram. Y plan wiring diagram with hive.
But you might be thinking how to wire a hive receiver to a combi boiler. This loop above needs to be removed in order to install your hive. You just need to plug into the broadband router, pair the product with the hive and can easily operate them.
Posted on aug a tempstar heat should have a wiring diagram on the inside of the door. This is the wiring diagram for the hive receiver that will go next to the for info the blue (common) and brown (heating on) wires have ~ find support for hive active heating, hive active lights, the hive motion sensor and window or door sensor, and the hive active plug.hive active heating 2 wiring diagram efcaviation from hive wiring diagram y. Wiring diagram for s plan central heating system 2017 hive.
The wiring must comply to the current edition of bs7671 (the iet wiring regulations), and the appropriate building regulations or standards in place. If needed, you can use flash amber. Y plan wiring diagram with hive.
The diagram below was taken from the vaillant ecotec plus 824 manual, by default connections 3 and 4 are connected. In order to install hive to your existing system you will fall into one of three scenarios. We've created a guide for installing your hive active heating which you can download here.
Hive installation Worcester 38CDi current Salus DIYnot Forums
Quick check wiring Hive 2 to Worcester S28SiiII DIYnot Forums
Hive Active Heating Wiring Diagram
Hive 2 Wiring Help with Ideal Independent+ 30 Combi Boiler DIYnot Forums
C plan with British Gas hive 2 DIYnot Forums
Hive Heating upgrade help Danfoss 103 DIYnot Forums

Hive Wiring Diagram Single Channel Hive System Incorrect Wiring DIYnot Forums / Hive is
Hive heating wiring DIYnot Forums
I currently have Hive for the radiators and additional wet underfloor heating zone controlled by
Help with installation of Hive Active Heating Thermostat DIYnot Forums
Hive Heating Wiring Diagram Wiring Diagram
Help! Hive 2 Thermostat wiring to Logic Combi 30 DIYnot Forums
Hive Install on Main 24 HE Combi Boiler DIYnot Forums

Hive wiring help Page 2 Overclockers UK Forums
Hive Thermostat Wiring Diagram Uk Wiring Diagram

[AH_4020] Wiring A Dual Element Immersion Heater Free Diagram
HIVE Heating and Hot water setup DIYnot Forums